常用轴承代号由基本代号、前置代号和后置代号构成,其排列如下:
一、基本代号
1.滚动轴承基本代号(滚针轴承除外〉
基本代号表示轴承的基本类型、结构和尺寸,是轴承代号的基础。除滚针轴承外,基本代号由轴承类型代号、尺寸系列代号、内径代号构成,期排列如下:
(1)类型代号
轴承类型代号用数字或字母按表2-1表示。
(2)尺寸系列代号
尺寸系列代号由轴承的宽(高)度系列代号和直径系列代号组合而成。向心轴承、推力轴承尺寸系列代号见表2-2。向心轴承、推力轴承尺寸系列新旧代号对照见表2-3和表2一4。
(3)内径代号
表示轴承公称内径的内径代号见表2-5。
例:调心滚子轴承23224:2——类型代号32——尺寸系列代号 24-内径代号d = 120mm
2.滚针轴承基本代号
滚针轴承基本代号由轴承类型代号和表示轴承配合安装特征的尺寸构成。类型代号用字母表示,表示轴承配合安装特征的尺寸,用尺寸系列、内径代号或者直接用毫米数表示。类型代号和表示配合安装特征尺寸的轴承基本代号见表2一6。

①尺寸直接用毫米数表示时,如是个位数,需在其左边加“0”。如 8mm用08表示。②内径代号除d <10mm用“/实际公称毫米数”表示外,其余按表2-5。
③滚轮滚针轴承代号摘自JB/T 2974—1993.
KR、KRV型轴承带偏心套,则在该型代号后加E,分别变为KRE、KRVE.
3.基本代号编制规则
基本代号中当轴承类型代号用字母表示时,编排时应与表示轴承尺寸的系列代号、内径代号或安装配合特征尺寸的数字之间空半个汉字距。例如:NJ 230、AXK 0821。
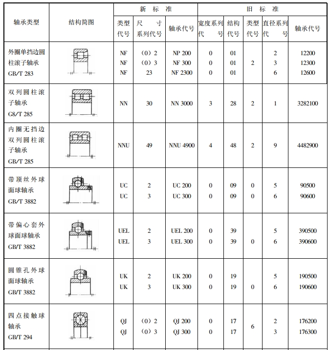
4.常用轴承的类型、结构及代号(表2-7)



上渝精机











